Câu 39:
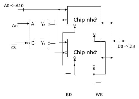
Hình vẽ dưới là sơ đồ kết nối của 2 IC SRAM:
1
Câu 39:
Hình vẽ dưới là sơ đồ kết nối của 2 IC SRAM:

Thông tin câu hỏi
Format:
Trắc nghiệm 1 đáp án
Độ khó:
Trung bình
Môn:kien-truc-may-tinh
Cấp độ:dai-hoc
Mã đề:dai-hoc-kien-truc-may-tinh
Phần:kiến_trúc_máy_tính
lượt làm
Năm:2026
Tags:
#kiến trúc máy tính
