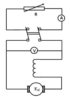
Câu 4:
Sơ đồ kích từ cho máy phát này thuộc kiểu:
1
Câu 4:
Sơ đồ kích từ cho máy phát này thuộc kiểu:

Thông tin câu hỏi
Format:
Trắc nghiệm 1 đáp án
Độ khó:
Trung bình
Môn:ky-thuat-dien
Cấp độ:dai-hoc
Mã đề:dai-hoc-ky-thuat-dien
Phần:kỹ_thuật_điện
lượt làm
Năm:2026
Tags:
#kỹ thuật điện
