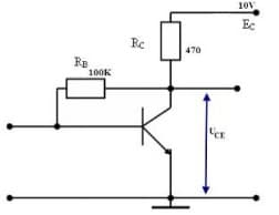
Câu 17:
Hãy xác định điện áp UCE trong sơ đồ mạch điện sau? Cho dòng điện chạy qua điện trở RC là 10mA.
1
Câu 17:
Hãy xác định điện áp UCE trong sơ đồ mạch điện sau? Cho dòng điện chạy qua điện trở RC là 10mA.

Thông tin câu hỏi
Format:
Trắc nghiệm 1 đáp án
Độ khó:
Trung bình
Môn:linh-kien-dien-tu
Cấp độ:dai-hoc
Mã đề:dai-hoc-linh-kien-dien-tu
Phần:linh_kiện_điện_tử
lượt làm
Năm:2026
Tags:
#linh kiện điện tử
