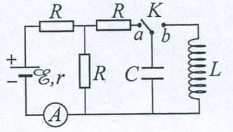
Câu 36. Dùng mạch điện như hình bên để tạo dao động điện từ, trong đó E= 5 V, r = 1Ω và các điện trở R giống nhau. Bỏ qua điện trở của ampe kế. Ban đầu khóa K đóng ở chốt a, số chỉ của ampe kế là 1 A. Chuyển K đóng vào chốt b, trong mạch LC có dao động điện từ. Biết rằng, khoảng thời gian ngắn nhất để từ thông riêng của cuộn cảm giảm từ giá trị cực đại xuống 0 là . Giá trị của biểu thức bằng
Câu 36. Dùng mạch điện như hình bên để tạo dao động điện từ, trong đó E= 5 V, r = 1Ω và các điện trở R giống nhau. Bỏ qua điện trở của ampe kế. Ban đầu khóa K đóng ở chốt a, số chỉ của ampe kế là 1 A. Chuyển K đóng vào chốt b, trong mạch LC có dao động điện từ. Biết rằng, khoảng thời gian ngắn nhất để từ thông riêng của cuộn cảm giảm từ giá trị cực đại xuống 0 là . Giá trị của biểu thức bằng

