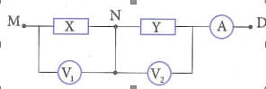
Câu 38:
Cho mạch điện như hình vẽ, X, Y là hai hộp kín, mỗi hộp chỉ chứa 2 trong 3 phần tử: điện trở thuần, cuộn cảm thuần và tụ điện mắc nối tiếp. Ampe kế có điện trở rất nhỏ, các vôn kế có điện trở rất lớn. Các vôn kế và ampe kế đo được cả dòng điện xoay chiều và một chiều. Ban đầu mắc hai điểm N, D vào hai cực của một nguồn điện không đổi thì chỉ 45 V, ampe kế chỉ 1,5 A. Sau đó mắc M, D vào nguồn điện xoay chiều có điện áp (V) thì ampe kế chỉ 1 A, hai vôn kế chỉ cùng một giá trị và chậm pha 0,5π so với . Khi thay tụ C trong mạch bằng tụ thì điện áp hai đầu tụ điện lớn nhất . Giá trị gần giá trị nào nhất sau đây?
Câu 38:
Cho mạch điện như hình vẽ, X, Y là hai hộp kín, mỗi hộp chỉ chứa 2 trong 3 phần tử: điện trở thuần, cuộn cảm thuần và tụ điện mắc nối tiếp. Ampe kế có điện trở rất nhỏ, các vôn kế có điện trở rất lớn. Các vôn kế và ampe kế đo được cả dòng điện xoay chiều và một chiều. Ban đầu mắc hai điểm N, D vào hai cực của một nguồn điện không đổi thì chỉ 45 V, ampe kế chỉ 1,5 A. Sau đó mắc M, D vào nguồn điện xoay chiều có điện áp (V) thì ampe kế chỉ 1 A, hai vôn kế chỉ cùng một giá trị và chậm pha 0,5π so với . Khi thay tụ C trong mạch bằng tụ thì điện áp hai đầu tụ điện lớn nhất . Giá trị gần giá trị nào nhất sau đây?

