Câu 36:
Dùng mạch điện như hình bên để tạo dao động điện từ, trong đó V, Ω và các điện trở giống nhau. Bỏ qua điện trở của ampe kế. Ban đầu khóa đóng ở chốt , chỉ số ampe kế là 1 A. Chuyển đóng vào chốt , trong mạch có dao động điện từ. Biết rằng, khoảng thời gian ngắn nhất để từ thông riêng của cuộn cảm giảm từ giá trị cực đại xuống 0 là . Giá trị của biểu thức bằng
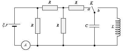
Câu 36:
Dùng mạch điện như hình bên để tạo dao động điện từ, trong đó V, Ω và các điện trở giống nhau. Bỏ qua điện trở của ampe kế. Ban đầu khóa đóng ở chốt , chỉ số ampe kế là 1 A. Chuyển đóng vào chốt , trong mạch có dao động điện từ. Biết rằng, khoảng thời gian ngắn nhất để từ thông riêng của cuộn cảm giảm từ giá trị cực đại xuống 0 là . Giá trị của biểu thức bằng

